Alors que les premiers Thunderbolt ont principalement été utilisés par Apple, l’avènement de la troisième mouture, qui se relie cette fois-ci au moyen d’un port en USB Type-C, marque un point d’entrée vers le « port universel pour les gouverner tous » fantasmé de nombres de geeks. Avec un débit bidirectionnel de 40 Gbps capable de réallouer la bande passante à la volée entre les multiples usages possibles, ce TB3 peut transporter directement des lignes PCIe, un flux vidéo via la norme DispayPort et de l’USB 3.1 Gen2 et même charger votre appareil selon vos besoins.

Un joli die nu et légende d’Ice Lake
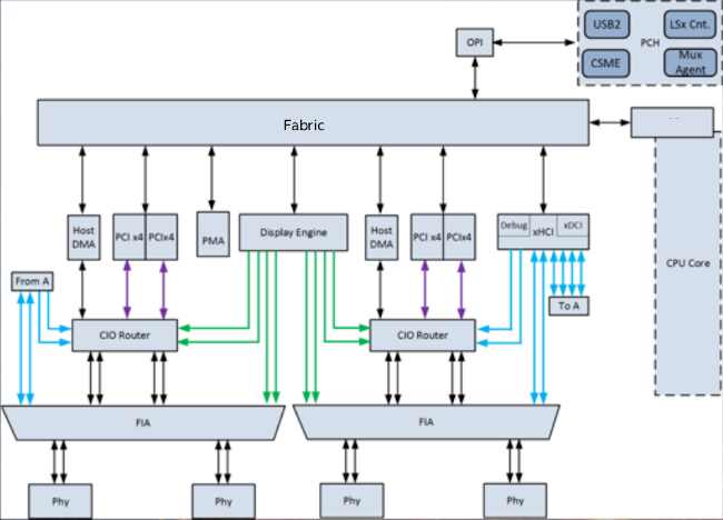
Cependant, l’intégration au sein même du CPU Ice Lake et non du chispet – ce dernier étant réservé aux entrées/sorties « moins critiques » – est loin d’être un long fleuve tranquille. Faute d’un 10 nm encore mal dompté (et de courants de fuite importants), la fonctionnalité a failli être laissée pour la déclinaison suivante, mais s’en est sortie in extremis. Cela aurait été fort dommageable : il faut dire que pour faciliter l’adoption du standard, mieux vaut faciliter son intégration par les OEM… et la présence du contrôleur directement dans le CPU a permis de passer de 17 lignes haute vitesse et des composants coûteux à seulement 8 lignes et un retimer bon marché pour 2 ports TB3 disponibles. Par contre le prix du SoC Ice Lake complet n’est évidemment pas communiqué… Du point de vue de l’utilisateur, rien de change si ce n’est qu’il y a désormais un connecteur PCIe x4 derrière chaque port, au lieu d’un unique partagé entre les deux : de quoi faire du multi-GPU sur tablette ?

Besoin de plus de détails ? Voilà comment tout est branché !
Niveau consommation électrique, lorsque le port est à son maximum, Intel communique sur 300 mW, soit moins de 1,1% du TDP des plus grosses versions (28W) d’Ice Lake. Notez qu’il sera toujours possible pour les constructeurs d’aller n’intégrer que de l’USB toukour ; mais il faut dire qu’on voit mal un CPU de 9W gérer une RTX 2080 Ti via un dock, fut-il en Thunderbolt miraculeux !
Et ça faisait tourner l’alimentation, deux disques durs en transfert de fichier et trois écrans sans broncher ! (Légende alternative : « Ouuuhhh des muffins ! »)