L’alimentation et le SATA
Dans la mesure où chaque modèle différent de SSD dispose de son propre module d’alimentation adapté à l’architecture en place, il nous sera difficile cette fois de rester généraliste dans nos propos. C’est pourquoi on sera un peu plus spécifique au modèle OCZ dont nous disposons puisque les étages d’alimentation que l’on voit sur les photos ci-après sont ceux visibles sur son circuit imprimé. Cependant, toutes ces alimentations pour SSD ont les mêmes objectifs que l’on pourrait résumer en trois points :
- fournir continuellement au processeur et aux NAND des tensions toujours précises et fiables pour que leur bon fonctionnement ne soit jamais perturbé;
- filtrer le courant en provenance de l’alimentation générale ATX pour évacuer les harmoniques de haute fréquence qui pourrait encore résonner à travers le signal +5V;
- faire en sorte qu’il y ait toujours suffisamment de courant stocké dans les divers condensateurs au tantale pour qu’une opération de transfert de données soit complétée sans aucune perte pendant une coupure de courant subite.
Tout module d’alimentation qui ne respecterait pas tous ces points ne permettrait malheureusement pas au SSD d’être aussi efficace et irréprochable que les autres.
La broche d’alimentation SATA fournit les 3 tensions traditionnelles +3.3V, +5V et +12V, mais un SSD n’utilise que le +5V plus la masse.

Les broches électriques du connecteur SATA
On voit d’ailleurs très bien sur cette image que les broches 7,8,9 sont toutes reliées à la même piste +5V, et que les broches 4,5,6,10,12 rejoignent la couche interne de masse par leurs vias. A cette entrée de tension +5V, il y a 3 composants de surface soudés en parallèle, 2 condensateurs (C6 & C7) et une résistance 0 ohm (R1) qui joue ici le rôle de shunt. L’emplacement F1 devrait normalement recevoir un fusible SMD, mais il n’est pas peuplé, et c’est plutôt à travers ce pont à faible impédance R1 que le courant passera. Choix discutable nous diriez-vous ? Ça dépend. Il est vrai qu’à des niveaux de consommation de courant aussi faible (les SSD ne drainent rarement plus de 400 mA en accès), le risque est calculé.
Le principal composant du premier étage de régulation est ce boîtier SO-8 à double MOSFET de puissance à canal-N.

Un MOSFET irf9910 pour réguler la tension en entrée de signal (vous pouvez même agrandir)
Il est utilisé ici comme régulateur de tension à partir d’un circuit de filtrage RC (résistance+condensateur) et il a la particularité de pouvoir le faire pour deux tensions simultanées. Et nous avons pu mesurer que les tensions qu’il délivre à ses bornes D1 et D2 sont respectivement de 2,852V et 1,039V, on est donc dans une plage de tension faible.
Et on remarque sur le circuit imprimé que ses bornes de désignation D1 et D2 sont les entrées de 2 modules identiques mais séparés, composés chacun de 3 gros condensateurs au tantale et d’un imposant boîtier QFN de 38 broches qui n’est autre qu’un PowerSoC spécialisé dans l’alimentation de précision des microprocesseurs multi-cœur basse consommation, comme c’est en l’occurrence le cas des contrôleurs de SSD.

L’alimentation du contrôleur (cliquez pour y voir en graaaaand)
A lui tout seul, il est une sorte de micro-alimentation à découpage, et intègre même une solénoïde. Il joue ici le rôle de convertisseur de courant continu à pulsation (qu’on appelle aussi convertisseur continu-continu, convertisseur Buck), c’est à dire qu’il assure la fluence d’énergie entre une source de tension continue et une source de courant continu.

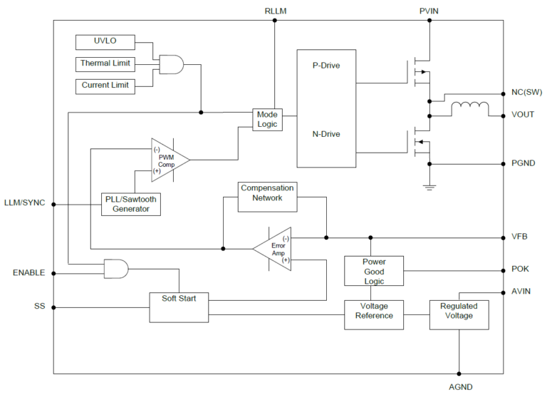
Le diag logique du PowerSOC EN6337 (que même vous pouvez aagrandir grâce à la magie du clic)
La raison pour laquelle il y a 2 modules identiques en tout point est parce que nous avons à faire à un étage d’alimentation redondante. Les modules sont disposés en parallèle avec une commutation dynamique commandée par un transistor afin que le module auxiliaire s’active si un problème de tension intervient au niveau du module principal. Le principe d’alimentation redondante est une pratique devenue courante pour un SSD pour jouer la carte de la fiabilité.
Concernant le choix des condensateurs au tantale à faible résistance équivalente, ils sont parfaitement dimensionnés pour fournir la capacité nécessaire au processeur pour flusher les données en cours de traitement avant de s’éteindre proprement après une coupure d’alimentation.


Les condos au tantale à gauche, le watchdog à droite (cliquez pour voir la vie en plus grand)
Mais le système ne serait pas complet s’il ne disposait pas d’un « chien de garde », et c’est justement le rôle de ce circuit intégré programmable PWR607 à 32 broches QFNS.
Il supervise l’activité de tous les étages d’alimentation du circuit et est capable de provoquer une réinitialisation système si une action prédéfinie n’est pas exécutée dans un délai imparti, ce qui sous-entendrait l’existence d’un problème potentiel. Ce type de protection est gage de qualité dans un module d’alimentation de ce type.

A gauche, le schéma de principe en application – A droite, le schéma-bloc interne du composant (cliqouillez pour agrandissage)
A l’instar d’un FPGA qui doit charger sa configuration depuis une mémoire non volatile pour être opérationnel, ce chien de garde conçu autour d’un PLD de 16 macro-cellules charge son code depuis une EEPROM. Dans le cas de notre modèle OCZ, l’EEPROM en question est un composant basse tension de 256Koctets en boîtier 8 broches TSSOP placé juste à ses cotés. L’interface JTAG à 5 broches libellée J3 lui est d’ailleurs également dédiée.
Au niveau du câble de données du connecteur SATA, les informations sont transmises par 2 paires différentielles (une paire pour la transmission et une pour la réception) protégées par 3 fils de masse. Le standard SATA utilise une ligne symétrique pour diminuer l’influence des perturbations électromagnétiques. On voit que les 4 pistes sont directes vers le contrôleur en traversant des passifs C1 à C4, classique, sans grande surprise…

Les broches data du connecteur SATA
Nous avons donc terminé notre analyse de composant en essayant de rester le plus généraliste possible. Passons maintenant en revue quelques circuits imprimés de modèles de SSD connus afin de commenter les choix techniques des fabricants.