• Scroll to top
Skip to content

© 2016-2024 Prout. All rights reserved | Purchase

Security | Privacy & Cookie Policy | Terms of Service

comptoir de test comptoir de test
comptoir de test comptoir de test
comptoir de test comptoir de test
  • Le pilier || // du comptoir
    • Quel comptoir? || c’est vous qui choize!
      • plutôt ensoleillé
      • plutôt blanc
      • quoique bleu…
    • Ragoteur || ah ben oui, vous faites partie de la haute société de Comptoir
      • Mode jésus
  • Actualités || restez informés.
    • Processeurs || Intel, AMD, et même Cyrix !
    • Cartes mères || 1700, 2066, AM4, AM5, TR4,…
    • Mémoires || DDR, NAND, HMC…
    • Overclocking || Pour aller plus viiiite
    • Cartes graphiques || AMD, Nvidia, Intel, méplu 3DFX
    • Refroidissement || Air, eau, mazout ?
    • Boîtiers • Barebones || ITX, ATX, DTCX…
    • Alimentations || Un canon de jus d’électrons ?
    • Stockage || NVMe, SATA, USB, FW.
    • Periphériques || Ca fait beaucoup de choses
    • Software • Pilotes || Logiciels, pilotes….
    • Jeux vidéo || Parce qu’on aime bien GL&HF
    • IA & VR || GPT, Midjourney, VIVE, Oculus & cie
    • Modding & Systèmes || Des ptis trous, des gros trous…
    • Business & internet || Kibouffki, économie, potins…
    • Give me da f0nk! || Les inclassables qui poutrent
    • Alimentations
    • Boitiers • Barebones
    • Business & internet
    • Cartes Graphiques
    • Cartes mères
    • Divers • Fonkeries
    • IA & VR
    • Jeux vidéo
    • Les plans du comptoir
    • Mémoires
    • Modding & systèmes
    • Overclocking
    • Périphériques
    • Processeurs
    • Refroidissement
    • Software • Pilotes
    • Stockage
  • Tests & articles || devenez incollables.
    • CPU • Mobo • RAM
    • Cartes graphiques
    • Stockage • Cartes
    • Software • Jeux video
    • Boitiers • alimentations
    • Refroidissement
    • Quelques heures sur CDH || périphs & cie
    • Hard du hard
    • Boitiers • Alimentations
    • Cartes graphiques
    • Cpu • Mobo • RAM
    • Hard du hard
    • Quelques heures sur le comptoir
    • Refroidissement
    • Software • Jeux video
    • Stockage • Cartes
  • Bons plans || à ne pas rater !
  • Références||& Guides
    • Les références GPU & Mobos||et les guides aussi tiens
    • Guide des connecteurs||vidéo & définitions
    • C’est quoiiii le coil whine ?
    • Les histoires de TDP
    • De l’endurance des NAND
    • Casques audio & marketing
    • Il est frais mon PCB ?
    • GPU
    • Guide d’achat
    • Mobos
  • Jobs@CDH||Deviendre pilier ?
j'étais où juste avant ?
Stockage

hamr

Tag
  1. Tag: hamr
Showing 1-16 of 23 results
Filters
seagate exos 24to
20 octobre 2023
4 min read

Les derniers HDDs avant l'HAMR envoient 24 To voire 28 To dans le cornet chez Seagate

Stockage
seagate hamr
22 avril 2023
3 min read

Ça y'est : 30 To dans un skeudur, ça existe

Stockage
seagate : roadmap 2021
25 juillet 2022
4 min read

Seagate ambitionne de lancer du disque dur de 30 To l'année prochaine !

Stockage
La roadmap de Toshiba vers les 40 To et plus !
9 février 2022
3 min read

Toshiba dévoile sa feuille de route jusqu'au HDD de 40 To en 2026 !

Stockage
3 décembre 2021
3 min read

WD nous partage les grandes lignes de sa « roadmap » jusqu'à 30 To

Stockage
seagate exos 16 to hamr test 2018
15 juin 2021
3 min read

Vers un décollage de HAMR avec la nouvelle alliance Seagate-Showa Denko ?

Stockage
seagate exos 16to hamr
9 juin 2021
3 min read

Du graphène pour les plateaux des futurs disques durs HAMR ?

Stockage
seagate : roadmap 2021
8 mars 2021
4 min read

Quels sont les projets de Seagate pour les 10 prochaines années ?

Stockage
seagate hamr hdd road to 100to
25 janvier 2021
4 min read

Seagate fait le point sur ses disques durs HAMR et Mach.2

Stockage
seagate exos 16 to hamr test 2018
29 octobre 2020
4 min read

Enfin, du 20 To HAMR imminent chez Seagate, les 50 To toujours pour 2026

Stockage
marteau hamr lol
20 février 2020
4 min read

Showa Denko commence ses livraisons de plateaux HDD MAmMaiRes

Cartes Graphiques
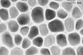
sdk hamr plateaux vue en plan 5nm
10 février 2020
5 min read

Showa Denko présente ses nouveaux plateaux HAMR, vers des HDD 5,2x plus denses ?

Stockage
évolutions prévues des disques eamr
5 février 2020
5 min read

La stratégie de Western Digital pour le futur : combo de SSD et de HDD

Stockage
seagate mach 2 technologie
3 décembre 2019
3 min read

Seagate sort de nouveaux dédés pour booster les entreprises... dont Microsoft

Processeurs
seagate roadmap 2016-2026
7 novembre 2019
4 min read

C'est pour quand les disques durs 18 et 20 To chez Seagate ?

Stockage
seagate exos 16to hamr
4 décembre 2018
3 min read

HDD HAMR 16To : des progrès chez Seagate, et un lancement toujours pour 2019

Stockage
astc 2025
7 novembre 2018
2 min read

La roadmap Seagate pour les 7 ans à venir est édifiante

Stockage
seagate mach 2 technologie
23 mars 2018
4 min read

Seagate expose son disque "le plus rapide au monde" et cause HAMR !

Stockage
seagate hamr
6 mai 2017
3 min read

Des dédés de 16To enfin avec HAMR dès l'année prochaine ?

Stockage
astc_roadmap_2014.jpg
27 novembre 2014
2 min read

Des disques durs de plus de 60 To en 2025 ?

Stockage
hdd_tete.jpg
3 mai 2014
2 min read

Seagate : des disques durs 8 To et 10 To d'ici 2015

Stockage
hdd_tete.jpg
4 octobre 2012
2 min read

Des disques durs de 8To ? A priori pour 2014 selon les avancées de TDK

Stockage
hdd_tete.jpg
19 mars 2012
2 min read

Vers des HDD 3.5" de 6To chez Seagate grâce au HAMR

Stockage
© 2016-2024 Prout. All rights reserved | Purchase
Security | Privacy & Cookie Policy | Terms of Service